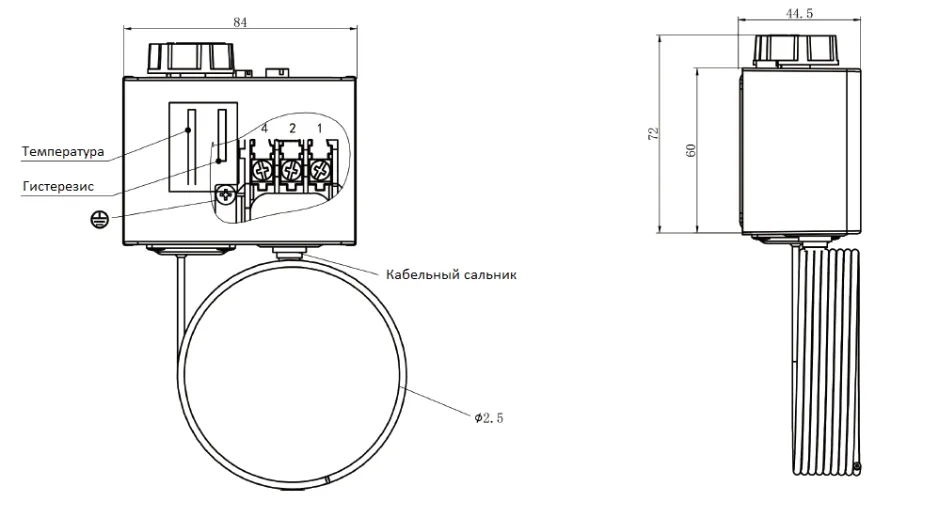
МОНТАЖ
Закрепите корпус термостата на подходящей плоской поверхности, в месте установки не должно быть вибрации. Окружающая температура корпуса термостата должна быть, по меньшей мере, на 2°C выше заданной уставки. Если данное условие не выполняется (например, при размещении термостата снаружи помещения), корпус термостата должен быть установлен внутри воздуховода. Капилляр термостата монтируется за теплообменником по ходу воздуха, крепление капилляра осуществляется с помощью кронштейнов (6 штук), которые поставляются в комплекте. Его необходимо укладывать по диагонали поперек потока воздуха на расстоянии около 5 см от поверхности теплообменника и равномерно распределять по всей площади теплообменника. Во избежание повреждения капилляра необходимо соблюдать минимальный радиус изгиба 20 мм. Для теплообменников с большим поперечным сечением установите несколько термостатов защиты от замораживания, соединенных последовательно. В этом случае, температурная уставка задается для каждого термостата индивидуально. Термостат снабжен кабельным сальником для вывода кабеля диаметром Ø 6-14 мм.
СХЕМА ПОДКЛЮЧЕНИЯ и ПРИНЦИП РАБОТЫ
Наполненная газом диафрагма и капиллярная трубка образуют измерительный узел, который механически соединен с переключателем. При понижении температуры ниже выбранной уставки (с учетом гистерезиса, см. график) срабатывает переключатель (контакты 1 и 2 замыкаются, а контакты 1 и 4 размыкаются). При повышении температуры до уставки исходное состояние контактов восстанавливается автоматически (автоматический сброс).
Для покупки товара в нашем интернет-магазине выберите понравившийся товар и добавьте его в корзину. Далее перейдите в Корзину и нажмите на «Оформить заказ» или «Быстрый заказ».
Когда оформляете быстрый заказ, напишите ФИО, телефон и e-mail. Вам перезвонит менеджер и уточнит условия заказа. По результатам разговора вам придет подтверждение оформления товара на почту или через СМС. Теперь останется только ждать доставки и радоваться новой покупке.
Оформление заказа в стандартном режиме выглядит следующим образом. Заполняете полностью форму по последовательным этапам: адрес, способ доставки, оплаты, данные о себе. Советуем в комментарии к заказу написать информацию, которая поможет курьеру вас найти. Нажмите кнопку «Оформить заказ».
Оплачивайте покупки удобным способом. В интернет-магазине доступно 3 варианта оплаты:
- Наличные при самовывозе или доставке курьером. Специалист свяжется с вами в день доставки, чтобы уточнить время и заранее подготовить сдачу с любой купюры. Вы подписываете товаросопроводительные документы, вносите денежные средства, получаете товар и чек.
- Безналичный расчет при самовывозе или оформлении в интернет-магазине: карты Visa и MasterCard. Чтобы оплатить покупку, система перенаправит вас на сервер системы ASSIST. Здесь нужно ввести номер карты, срок действия и имя держателя.
- Электронные системы при онлайн-заказе: PayPal, WebMoney и Яндекс.Деньги. Для совершения покупки система перенаправит вас на страницу платежного сервиса. Здесь необходимо заполнить форму по инструкции.
Экономьте время на получении заказа. В интернет-магазине доступно несколько вариантов доставки:
- Курьерская доставка работает с 9.00 до 18.00. Когда товар поступит на склад, курьерская служба свяжется для уточнения деталей. Специалист предложит выбрать удобное время доставки и уточнит адрес. Осмотрите упаковку на целостность и соответствие указанной комплектации.
- Самовывоз со склада. Когда заказ поступит на склад, вам придёт уведомление. Для получения заказа обратитесь к сотруднику в зоне выдачи заказов и назовите номер.
- Постамат. Когда заказ поступит на точку, на ваш телефон или e-mail придет уникальный код. Заказ нужно оплатить в терминале постамата. Срок хранения — 3 дня.
Вопросы и ответы
Вы можете вернуть или обменять термостаты защиты от замерзания Polar Bear PBFP...N в течение 14 дней при сохранении товарного вида и упаковки. Подробности возврата можно уточнить у нашего менеджера или по телефону +7 (812) 448-53-62
Да, на термостаты защиты от замерзания Polar Bear PBFP...N действует гарантия от производителя. Все товары сертифицированы, и вы можете быть уверены в их качестве.
